2014年7月10日晚20:00-21:00机械CAD试学课
发布于:2014-07-10 17:26
上课时间:7月10日20:00-21:00
上课地点:YY频道7621 C07 AutoCAD教室
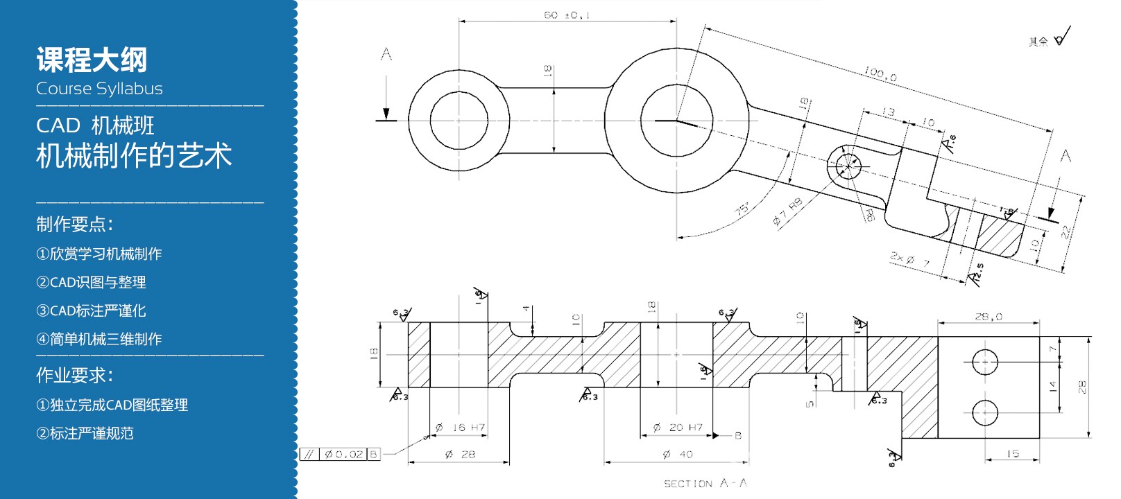
课程内容:调整架
2014年7月10日晚20:00-21:00机械CAD试学课素材效果图

共有0条评论
正序查看
倒序查看
0
今日新帖
0
昨日新帖
22
帖子总数
推荐
换一组
暂无数据

暂无评论
回复:2014年7月10日晚20:00-21:00机械CAD试学课