2014年7月15日晚20:00-21:00机械CAD试学课
发布于:2014-07-15 17:30
上课时间:7月15日20:00-21:00
上课地点:YY频道7621 C07 AutoCAD教室
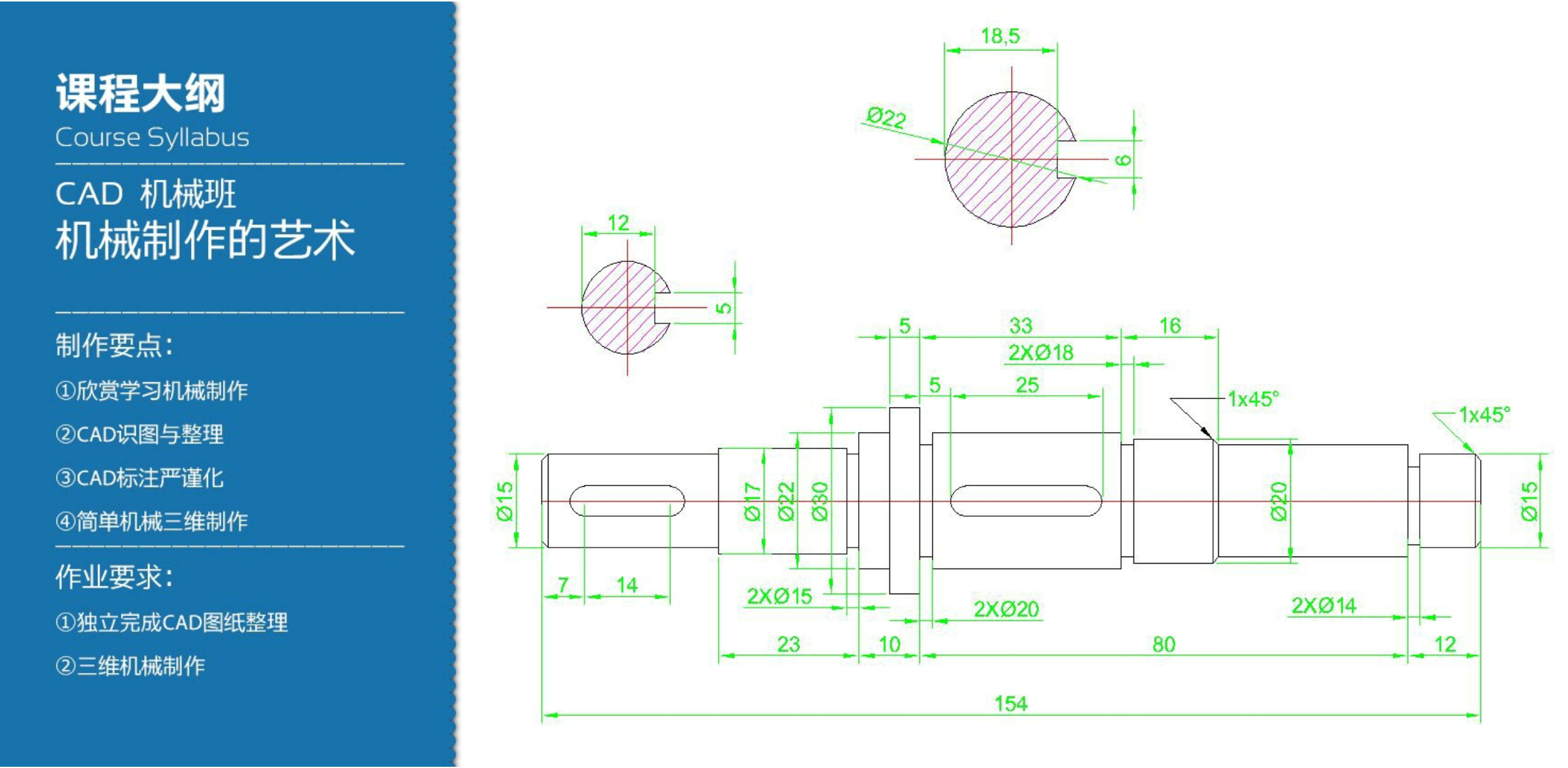
课程内容:试学绘制机械图练习
2014年7月15日晚20:00-21:00机械CAD试学课素材效果图

共有0条评论
正序查看
倒序查看
0
今日新帖
0
昨日新帖
22
帖子总数
推荐
换一组
暂无数据

暂无评论
回复:2014年7月15日晚20:00-21:00机械CAD试学课